Fitinguri Injectate – Teu Egal Injectat PE100
Aplicații:
-
Rețele de apă potabilă și tehnologică
-
Sisteme de distribuție a gazelor naturale
-
Infrastructură civilă, agricolă și industrială
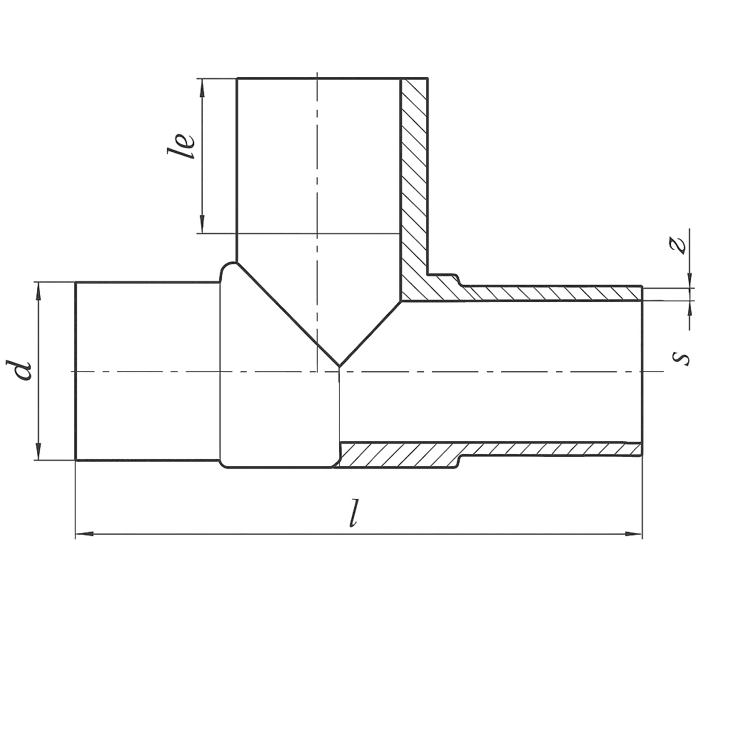
Teul egal injectat din PE100 este un fiting utilizat pentru conectarea a trei conducte de același diametru, formând o ramificație în unghi drept. Datorită rezistenței materialului și preciziei geometrice, acest tip de fiting asigură o conectare sigură și eficientă în rețelele de distribuție a apei sau gazului.
Aplicații:
-
Rețele de apă potabilă și tehnologică
-
Sisteme de distribuție a gazelor naturale
-
Infrastructură civilă, agricolă și industrială
Caracteristici:
-
Fabricat prin injecție din PE100 de înaltă calitate
-
Rezistență excelentă la presiuni și solicitări mecanice
-
Compatibil cu sudura cap-la-cap
-
Ideal pentru rețele subterane și supraterane
Tabel dimensiuni disponibile:
| Diametru (mm) | le (mm) | z (mm) | Cod |
|---|---|---|---|
| 20 | 135 | 41 | FXCITE-0020 |
| 25 | 145 | 41 | FXCITE-0025 |
| 32 | 157 | 44 | FXCITE-0032 |
| 40 | 183 | 49 | FXCITE-0040 |
| 50 | 222 | 55 | FXCITE-0050 |
| 63 | 239 | 63 | FXCITE-0063 |
| 75 | 273 | 70 | FXCITE-0075 |
| 90 | 301 | 79 | FXCITE-0090 |
| 110 | 337 | 82 | FXCITE-0110 |
-

Cuplaj de electrofuziune SDR26
-

Cuplaj de electrofuziune SDR17
-

Cuplaj de electrofuziune SDR11
-

Cuplaj de electrofuziune SDR7.4
-

Cot de electrofuziune 90°
-

Supapă cu gură (F4) seria 115
-

Supapă (F5) seria 115F5
-

Supapă BS5163 Tip B
-

Supapă de blocare (F4) cu actuator electric
-

Supapă de blocare PN16 (F4) seria 117
-

Supapă (F4) seria 116
-

Supapă filetată PN16 seria 015






