Fitinguri Injectate – Cot Injectat 45° PE100
Aplicații:
-
Transport și distribuție apă potabilă
-
Rețele de gaze naturale
-
Instalații industriale și agricole
Cotul injectat la 45° din polietilenă de înaltă densitate (PE100) este un element esențial în rețelele de conducte care necesită o deviere parțială a traseului. Este proiectat pentru a rezista la presiuni înalte și pentru a oferi flexibilitate în montaj, menținând totodată etanșeitatea sistemului.
Aplicații:
-
Transport și distribuție apă potabilă
-
Rețele de gaze naturale
-
Instalații industriale și agricole
Caracteristici:
-
Realizat prin injecție din PE100, cu durabilitate ridicată
-
Rezistent la coroziune, abraziune și solicitări mecanice
-
Sudabil cap-la-cap sau prin electrofuziune
-
Asigură un flux optim și continuu în sistem
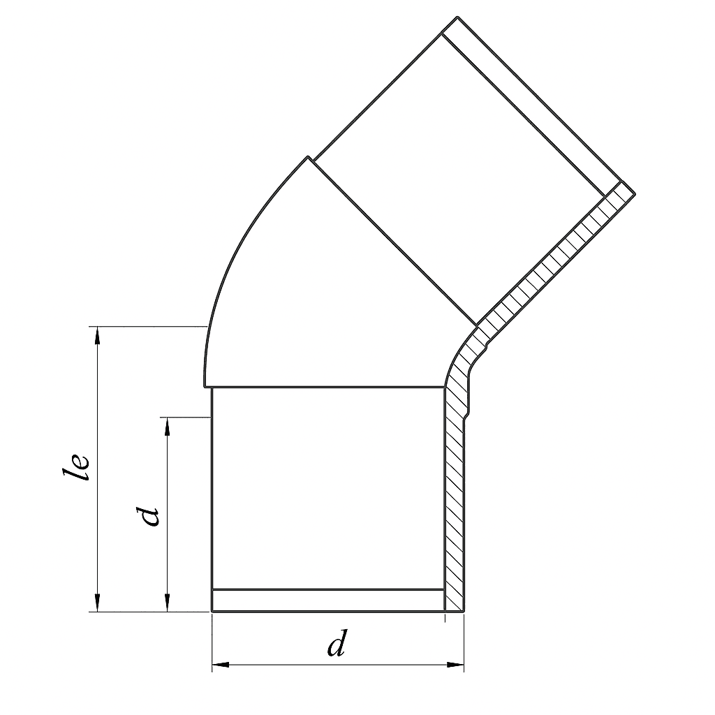
Tabel dimensiuni disponibile:
| Diametru (mm) | le (mm) | z (mm) | Cod |
|---|---|---|---|
| 20 | 41 | 70 | FXCIC4-0020 |
| 25 | 41 | 75 | FXCIC4-0025 |
| 32 | 44 | 80 | FXCIC4-0032 |
| 40 | 49 | 85 | FXCIC4-0040 |
| 50 | 55 | 90 | FXCIC4-0050 |
| 63 | 63 | 95 | FXCIC4-0063 |
| 75 | 70 | 105 | FXCIC4-0075 |
| 90 | 79 | 120 | FXCIC4-0090 |
| 110 | 82 | 130 | FXCIC4-0020 (probabil eroare de tipar) |
-

Cuplaj de electrofuziune SDR26
-

Cuplaj de electrofuziune SDR17
-

Cuplaj de electrofuziune SDR11
-

Cuplaj de electrofuziune SDR7.4
-

Cot de electrofuziune 90°
-

Supapă cu gură (F4) seria 115
-

Supapă (F5) seria 115F5
-

Supapă BS5163 Tip B
-

Supapă de blocare (F4) cu actuator electric
-

Supapă de blocare PN16 (F4) seria 117
-

Supapă (F4) seria 116
-

Supapă filetată PN16 seria 015






