ELECTROFUZIUNE – MUFĂ PE100 PIN 4/4.7 APA 16 BAR GAZ 10 BAR
Caracteristici tehnice:
-
Material: PE100
-
Presiune maximă admisă:
-
Apă: 16 bari
-
Gaz: 10 bari
-
Mufa electrofuzabilă din polietilenă PE100 este utilizată pentru realizarea îmbinărilor prin sudură electrofuzabilă în rețelele de alimentare cu apă și gaze naturale. Este proiectată pentru a asigura o etanșeitate excelentă și o rezistență ridicată la presiune.
Caracteristici tehnice:
-
Material: PE100
-
Presiune maximă admisă:
-
Apă: 16 bari
-
Gaz: 10 bari
-
-
Compatibilitate PIN: 4.0 / 4.7 mm
-
Aplicații: Conducte de apă potabilă și rețele de distribuție a gazului
-
Sudare sigură și rapidă, cu durată și răcire în funcție de diametru
-
Marcaj trasabil pentru identificare ușoară
-
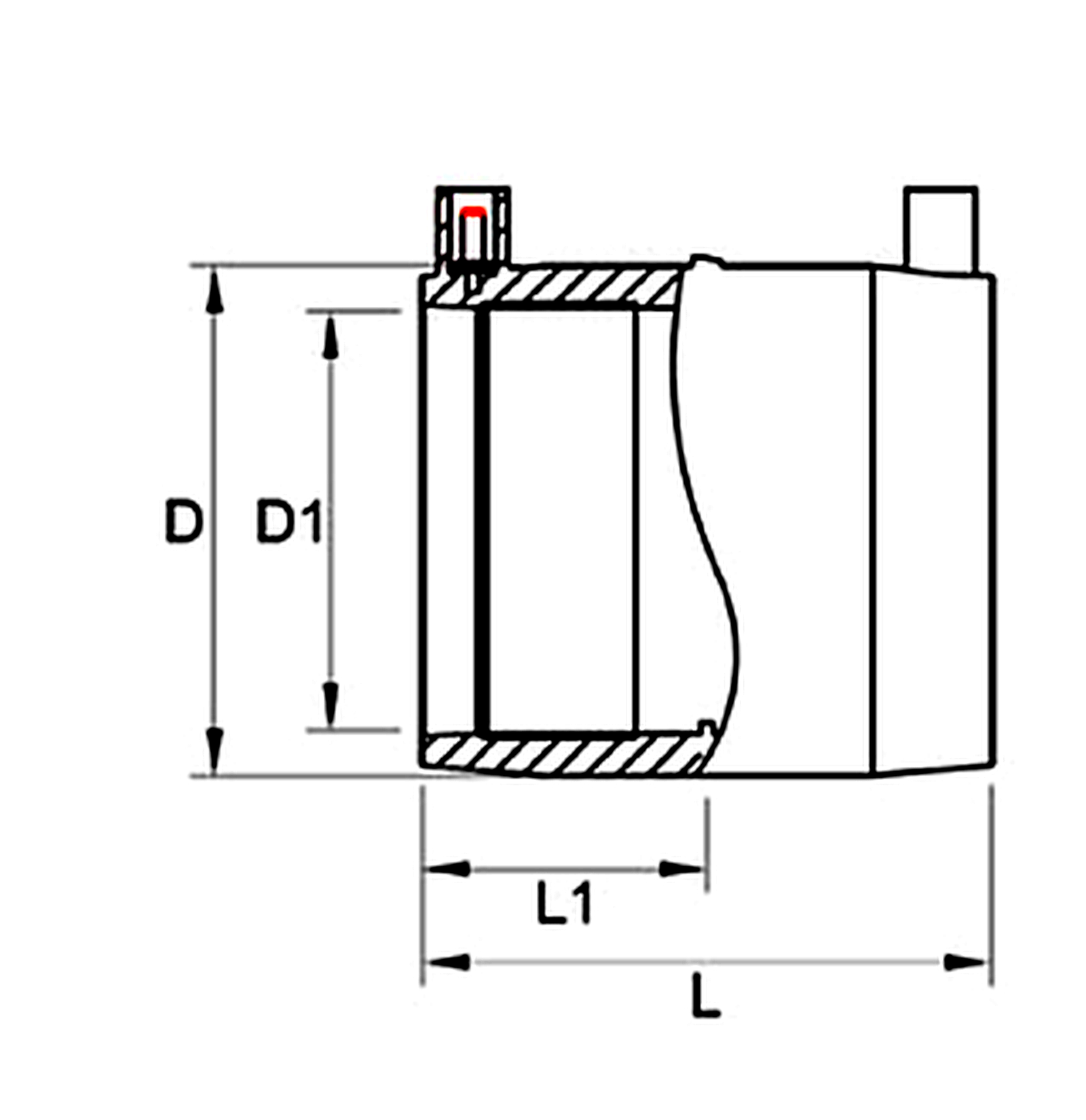
Diametru (mm) L (mm) L1 (mm) D (mm) D1 (mm) Timp sudare (sec) Timp răcire (min) Bucăți în cutie 20 77 37.5 29 20 35 3 80 25 77 37.5 33.5 25 30 3 80 32 77 37.5 43 32 45 3 75 / 100 40 90 44 51.5 40 40 5 90 50 91 44 61.5 50 50 5 70 63 102 49 77 63 35 5 20 / 25 75 125 61 100 75 50 5 45 90 122 60 110 90 90 10 27 / 30 110 144 70 133 110 160 10 10 / 18
-

Cuplaj de electrofuziune SDR26
-

Cuplaj de electrofuziune SDR17
-

Cuplaj de electrofuziune SDR11
-

Cuplaj de electrofuziune SDR7.4
-

Cot de electrofuziune 90°
-

Supapă cu gură (F4) seria 115
-

Supapă (F5) seria 115F5
-

Supapă BS5163 Tip B
-

Supapă de blocare (F4) cu actuator electric
-

Supapă de blocare PN16 (F4) seria 117
-

Supapă (F4) seria 116
-

Supapă filetată PN16 seria 015





